全国服务热线:
+86-372-2595077/2595078/2595088
用途:
本系列产品是一种机电转换装置,在额定行程及额定电流范围内,其输出力及位移与输入电流成正比,输入力在额定行程内恒定不变,输入电流在额定范围内无级调节,可实现液压系统执行机构在额定范围内的无级调速、换向和远程控制。
主要技术参数
型号 | GRF60-4-A |
额定行程 (mm) | 4 |
全行程 (mm) | ≥8.5 |
额定电流 (A) | 3.7 |
额定吸力 | ≥180 |
常态电阻20 ℃ | 2.55 |
力滞环 (%) | ≤4% |
承受静态油压 | 21Mpa |
外壳防护等级 | IP65/IP67 |
电源接线方式 | DIN/DT |
稳态行程-力特性曲线

位移(mm)
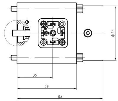
外形及安装尺寸


样本说明
● 对超出本样本要求的应用场合,请询问本公司。
● 特性曲线仅供参考。
● 主要特性参数均为实验室条件下获得。本公司保留修改参数的权力。
中文(简体)
English
Русский
Español